
SBWR-2280/436K熱電偶一體化溫度變送器簡介
SBW系列帶熱電阻、熱電偶溫度變送器,它集熱電偶或熱電阻同變送器為一體,能直接測量-200~1600℃范圍內的液體、蒸汽和氣體介質的溫度,儀表采用二線制傳送方式,將溫度轉變成與熱電阻、熱電偶信號成正比的4-20mA統一輸出信號,送顯示、記錄調節儀表或計算機,上海自動化儀表三廠生產的SBWR-2280/436K熱電偶一體化溫度變送器能測量0~1000℃范圍內的介質溫度,還具有耐震、耐潮濕、精度高、功耗低、使用環境溫度范圍廣,工作穩定可靠等優點,它作為新一代的測溫變送儀表被廣泛應用于冶金、石油化工、制藥、電力、紡織、食品、科研等工業部門。
SBWR-2280/436K熱電偶一體化溫度變送器主要技術參數
◆量程范圍:0-800-1000℃
◆輸入類型:K分度
◆輸出類型:輸出4-20mA(輸出與對應溫度呈線性)
◆精度等級:±0.5%FS,可以做成±0.2%FS
◆熱電偶精度:±1.5℃或±0.0025|t|
◆熱電偶保護管直徑:6mm
◆熱電偶保護管材質:304、321、316、2520等
◆熱電偶類型:鎳鉻-鎳硅
◆熱電偶安裝方式:固定法蘭鎧裝式
◆熱電偶響應時間:T0.5≤7S
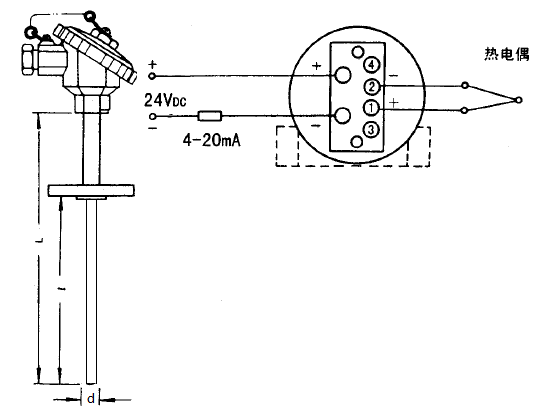
◆傳送方式:二線制
◆工作電源:DC12~35V,額定工作電壓DC24V
◆負載電阻:0-600Ω,額定負載250Ω
◆環境溫度:-25℃~80℃(危險場合不高于70℃)
◆相對濕度:5%~95%
◆環境溫度影響:≤0.05/1℃
一體化溫度變送器工作原理
SBW系列熱電阻、熱電偶溫度變送器,它采用是二線制傳送方式,將熱電阻、熱電偶的電阻及毫伏信號變換成與輸入信號或溫度信號呈線性的4-20mA的輸出信號。并將信號傳送給計算機或其它設備。
一體化溫度變送器使用選型

型號舉例:
SBWR-2280/136K表示輸入分度號K型非隔離常規型,無固定帶4-20mA輸出的鎧裝熱電偶一體化溫度變送器
SBWR-2380/231表示輸入分度號S型非隔離常規型,固定螺紋帶4-20mA輸出的熱電偶一體化溫度變送器
SBWR-2280/238K表示輸入分度號K型非隔離常規型,固定螺紋帶4-20mA輸出的鎧裝熱電偶一體化溫度變送器
SBWR-2380/430表示輸入分度號S型非隔離常規型,固定法蘭帶4-20mA輸出保護管直徑16mm的熱電偶一體化溫度變送器
SBWR-2180/530表示輸入分度號E型非隔離常規型,直角形帶4-20mA輸出的熱電偶一體化溫度變送器
SBWR-2180/631表示輸入分度號E型非隔離常規型,固定螺紋錐形套管帶4-20mA輸出的熱電偶一體化溫度變送器
另訂購時還需提供溫度使用范圍等參數
一體化溫度變送器安裝圖片
◆SBWR-2280/436K熱電偶一體化溫度變送器
L=l+150mm l=70-1400mm
d=4-8mm 防水接線盒
固定法蘭外徑95mm中心距65mm或根據需要



客服1