
雙金屬溫度計安裝底座簡介
上海自動化儀表三廠生產的雙金屬溫度計安裝底座或安裝凸臺,主要用于雙金屬溫度計與管道連接。
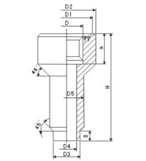
雙金屬溫度計安裝底座主要技術參數
◆量程范圍:0-800℃
◆適用范圍:主要適用于雙金屬溫度計或其它儀表的安裝
◆底座直徑:Φ40mm(使用于M27*2的螺紋)其它根據需要
◆底座材質:碳鋼,不銹鋼304,321,316或其它
◆底座高度:一般為60mm
◆安裝方式:焊接式
◆底座重量:約0.2-0.5Kg
雙金屬溫度計安裝底座安裝圖片
◆雙金屬溫度計安裝底座
具體的安裝數據按著用戶的實際需要選用



客服1