上海自動化儀表三廠化工用熱電偶、熱電阻法蘭圖片尺寸及執行標準如下:
1.化工用熱電偶、熱電阻活動法蘭圖片尺寸及執行標準




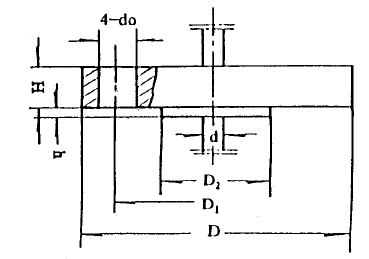
2.化工用熱電偶、熱電阻固定法蘭圖片尺寸及執行標準




13501686122
作者:上海自動化儀表三廠 瀏覽量:16762 時間:2018-08-06
上海自動化儀表三廠 化工用熱電偶、熱電阻法蘭圖片尺寸及執行標準如下: 1.化工用熱電偶、熱電阻活動法蘭圖片尺寸及執行標準 2.化工用熱電偶、熱電阻固定法蘭圖片尺寸及執行標準。



